© Академия BMW. 2009-2026
Политика конфиденциальностиПравовая информацияВсе предложения не являются публичной офертой
Не уверены в комплектации?
Проверьте соответствие детали вашему VIN в каталоге ЕТК

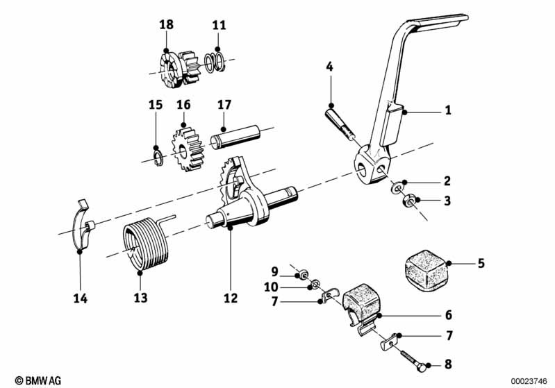
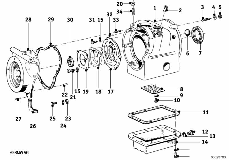
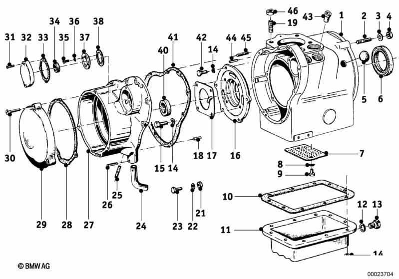
Артикул: 07119905515
Бренд: BMW
СКЛАД
Основной склад
0 шт.
69 ₽
1 день
Московский склад
44 шт.
73 ₽
2-4 дня
Региональный склад
7 шт.
80 ₽
30 дней
Экспресс
100 шт.
106 ₽
60 дней
Складской
1000 шт.
109 ₽
Гайка BMW 07119905515 — оригинальная запасная часть для автомобилей BMW серий K569, E46, E90, E91, E92, E90N, E91N, E24, E28, E30, E32, E31, E34, E36, E38, E39, E53, E61, E83, Z3, E87, Z1, 2471, 2472, 2473, 2474, 2477, 2478, 259E, 259R, 259S, 259T, 47E1, 47E2, 47E3, 89V1, 89V2, K589, E61N, E70, E93, E71, E72, E70N, F11, R55, R57, R56, R55N, R57N, R56N, R52, E83N, E87N, E81, E82, E88, R50, R53, E84, E92N, E93N, F25, F20, F30, F21, F31, F34, F11N, F32, F22, F33, F23, F20N, F21N, F36, F30N, F31N, F34N, F32N, F33N, F36N, F15, F16, G11, G12, G30, G31, F22N, F23N, G01, G32, G02, G11N, G12N, G21, G31N, G01N, G02N, G21N, G70, G09, G05N, F35, F80, F80N, F35N, F82, F83, F87, F82N, F83N, F87N, G15, G14, G16, C1N, K26, R13, K14, R131, R134, K73, K72, K70, KM3, K69, KM9, K63, K67, K66, RR11, RR12, RR21, RR22, K02, K46, K42, K75, K47, K49, E21, E23, K03, E12, 114, 700, E26, E3, E9, NK, ISE, 259O, RR1, RR1N, 248, CMSP, 2476, RR2, RR2N, RR3, RR3N, T24, T25, T26, T27, T50, T60, T69, M12, R11N, T51, T67, T68, RR25, K01.
Артикулы замен: 07119904032, 07119922078, 07119922079, 07119922081, 07119922082, 07119922087, 07119922808, 07119922825, 07119922856, 61611389459, 88100030555, 88100391753. При подборе замены рекомендуем проверить совместимость по VIN-номеру вашего автомобиля.
Деталь 07119905515 в наличии у поставщика оригинальных запчастей из Европы. Доставка по Москве и России, гарантия совместимости с вашим автомобилем.
K569
E46
E90
E91
E92
E90N
E91N
E24
E28
E30
E32
E31
E34
E36
E38
E39
E53
E61
E83
Z3
E87
Z1
2471
2472
2473
2474
2477
2478
259E
259R
259S
259T
47E1
47E2
47E3
89V1
89V2
K589
E61N
E70
E93
E71
E72
E70N
F11
R55
R57
R56
R55N
R57N
R56N
R52
E83N
E87N
E81
E82
E88
R50
R53
E84
E92N
E93N
F25
F20
F30
F21
F31
F34
F11N
F32
F22
F33
F23
F20N
F21N
F36
F30N
F31N
F34N
F32N
F33N
F36N
F15
F16
G11
G12
G30
G31
F22N
F23N
G01
G32
G02
G11N
G12N
G21
G31N
G01N
G02N
G21N
G70
G09
G05N
F35
F80
F80N
F35N
F82
F83
F87
F82N
F83N
F87N
G15
G14
G16
C1N
K26
R13
K14
R131
R134
K73
K72
K70
KM3
K69
KM9
K63
K67
K66
RR11
RR12
RR21
RR22
K02
K46
K42
K75
K47
K49
E21
E23
K03
E12
114
700
E26
E3
E9
NK
ISE
259O
RR1
RR1N
248
CMSP
2476
RR2
RR2N
RR3
RR3N
T24
T25
T26
T27
T50
T60
T69
M12
R11N
T51
T67
T68
RR25
K01