© Академия BMW. 2009-2026
Политика конфиденциальностиПравовая информацияВсе предложения не являются публичной офертой
Не уверены в комплектации?
Проверьте соответствие детали вашему VIN в каталоге ЕТК

Артикул: 11141736959
Бренд: BMW
СКЛАД
Основной склад
нет в наличии
—
1 день
Московский склад
нет в наличии
—
2-4 дня
Региональный склад
нет в наличии
—
30 дней
Экспресс
100 шт.
1 725 ₽
60 дней
Складской
1000 шт.
2 040 ₽
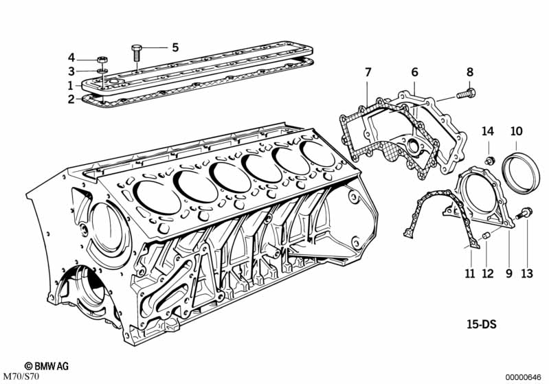
Уплотнительная прокладка безасбестовая BMW 11141736959 — оригинальная запасная часть для автомобилей BMW серий E32, E31, E38.
Артикулы замен: 11141288979, 11141713648, 11141725783. При подборе замены рекомендуем проверить совместимость по VIN-номеру вашего автомобиля.
Деталь 11141736959 в наличии у поставщика оригинальных запчастей из Европы. Доставка по Москве и России, гарантия совместимости с вашим автомобилем.
E32
E31
E38