© Академия BMW. 2009-2026
Политика конфиденциальностиПравовая информацияВсе предложения не являются публичной офертой
Не уверены в комплектации?
Проверьте соответствие детали вашему VIN в каталоге ЕТК

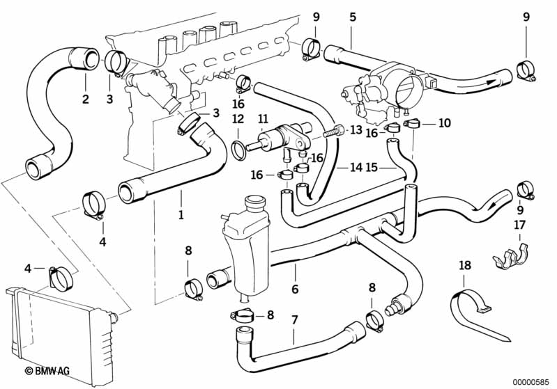
Артикул: 11531726344
Бренд: BMW
СКЛАД
Основной склад
нет в наличии
—
1 день
Московский склад
нет в наличии
—
2-4 дня
Региональный склад
нет в наличии
—
30 дней
Экспресс
1000 шт.
5 361 ₽
60 дней
Складской
1000 шт.
4 664 ₽
водяной шланг BMW 11531726344 — оригинальная запасная часть для автомобилей BMW серий E36.
Деталь 11531726344 в наличии у поставщика оригинальных запчастей из Европы. Доставка по Москве и России, гарантия совместимости с вашим автомобилем.
E36
Артикул
Бренд
Артикул
Бренд
37130
Шлангопровод
—