© Академия BMW. 2009-2026
Политика конфиденциальностиПравовая информацияВсе предложения не являются публичной офертой
Не уверены в комплектации?
Проверьте соответствие детали вашему VIN в каталоге ЕТК

Артикул: 12111252932
Бренд: BMW
СКЛАД
Основной склад
нет в наличии
—
1 день
Московский склад
нет в наличии
—
2-4 дня
Региональный склад
нет в наличии
—
30 дней
Экспресс
100 шт.
13 808 ₽
60 дней
Складской
100 шт.
10 983 ₽
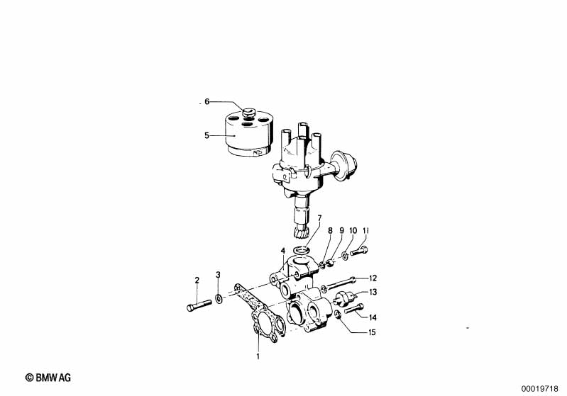
Фланец распределителя зажигания BMW 12111252932 — оригинальная запасная часть для автомобилей BMW серий E28, E30, E21, E12, 114, NK.
Деталь 12111252932 в наличии у поставщика оригинальных запчастей из Европы. Доставка по Москве и России, гарантия совместимости с вашим автомобилем.
E28
E30
E21
E12
114
NK