© Академия BMW. 2009-2026
Политика конфиденциальностиПравовая информацияВсе предложения не являются публичной офертой
Не уверены в комплектации?
Проверьте соответствие детали вашему VIN в каталоге ЕТК

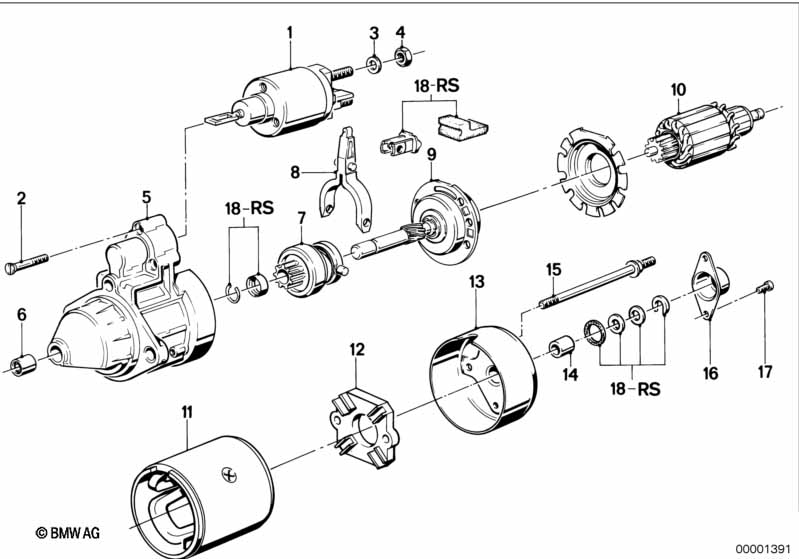
Артикул: 12411726039
Бренд: BMW
СКЛАД
Основной склад
нет в наличии
—
1 день
Московский склад
нет в наличии
—
2-4 дня
Региональный склад
нет в наличии
—
30 дней
Экспресс
100 шт.
15 976 ₽
60 дней
Складской
1000 шт.
14 182 ₽
Тяговое реле BMW 12411726039 — оригинальная запасная часть для автомобилей BMW серий E24, E30, E32, E34, E36.
Деталь 12411726039 в наличии у поставщика оригинальных запчастей из Европы. Доставка по Москве и России, гарантия совместимости с вашим автомобилем.
E24
E30
E32
E34
E36
Артикул
Бренд
Артикул
Бренд
SSB6036HE
Втягивающее реле стартера
—
SSB6036BA
Втягивающее реле стартера
—
136036
Реле втягивающее BMW
—