© Академия BMW. 2009-2026
Политика конфиденциальностиПравовая информацияВсе предложения не являются публичной офертой
Не уверены в комплектации?
Проверьте соответствие детали вашему VIN в каталоге ЕТК

Артикул: 13321277497
Бренд: BMW
СКЛАД
Основной склад
нет в наличии
—
1 день
Московский склад
нет в наличии
—
2-4 дня
Региональный склад
нет в наличии
—
30 дней
Экспресс
100 шт.
1 103 ₽
60 дней
Складской
100 шт.
845 ₽
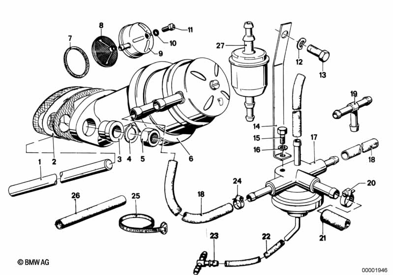
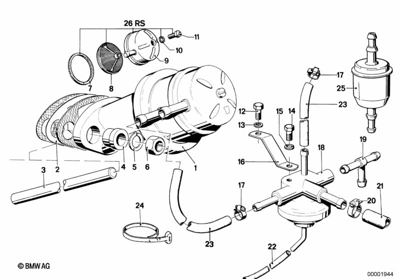
Топливный фильтр BMW 13321277497 — оригинальная запасная часть для автомобилей BMW серий E28, E30, E65, E66, E21, E12.
Артикулы замен: 13321277481, 13321278272. При подборе замены рекомендуем проверить совместимость по VIN-номеру вашего автомобиля.
Деталь 13321277497 в наличии у поставщика оригинальных запчастей из Европы. Доставка по Москве и России, гарантия совместимости с вашим автомобилем.
E28
E30
E65
E66
E21
E12
Артикул
Бренд
Артикул
Бренд
HC7602
Фильтр гидравлический JOHN DEERE CATERPILLAR JOHN DEERE_5045D_3029 JOHN DEERE_110_4TNE840 JOHN D
—
WK312100
Снят, замена H101WK Фильтр топливный
—
KL15OF
Фильтр
—
WK422
Фильтр
—
PP830
Фильтр
—