© Академия BMW. 2009-2026
Политика конфиденциальностиПравовая информацияВсе предложения не являются публичной офертой
Не уверены в комплектации?
Проверьте соответствие детали вашему VIN в каталоге ЕТК

Артикул: 13627547981
Бренд: BMW
СКЛАД
Основной склад
нет в наличии
—
1 день
Московский склад
нет в наличии
—
2-4 дня
Региональный склад
нет в наличии
—
30 дней
Экспресс
100 шт.
85 985 ₽
60 дней
Складской
нет в наличии
—
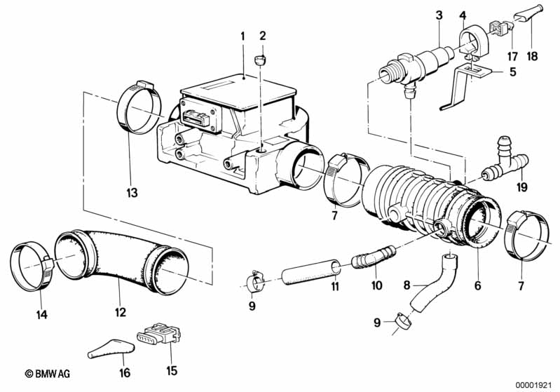
Возвратный расходомер воздуха BMW 13627547981 — оригинальная запасная часть для автомобилей BMW серий E24, E28, E30, E32, E34, E23.
Артикулы замен: 13621279704, 13621286064, 13621466349. При подборе замены рекомендуем проверить совместимость по VIN-номеру вашего автомобиля.
Деталь 13627547981 в наличии у поставщика оригинальных запчастей из Европы. Доставка по Москве и России, гарантия совместимости с вашим автомобилем.
E24
E28
E30
E32
E34
E23