© Академия BMW. 2009-2026
Политика конфиденциальностиПравовая информацияВсе предложения не являются публичной офертой
Не уверены в комплектации?
Проверьте соответствие детали вашему VIN в каталоге ЕТК

Артикул: 17111117442
Бренд: BMW
СКЛАД
Основной склад
нет в наличии
—
1 день
Московский склад
3 шт.
329 ₽
2-4 дня
Региональный склад
нет в наличии
—
30 дней
Экспресс
100 шт.
1 862 ₽
60 дней
Складской
1000 шт.
1 637 ₽
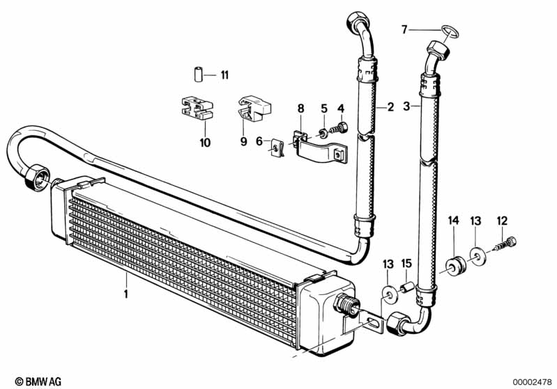
Резиновая втулка BMW 17111117442 — оригинальная запасная часть для автомобилей BMW серий E24, E28, E30, E21, E23, CMSP.
Артикулы замен: 17111151038, 17111707877. При подборе замены рекомендуем проверить совместимость по VIN-номеру вашего автомобиля.
Деталь 17111117442 в наличии у поставщика оригинальных запчастей из Европы. Доставка по Москве и России, гарантия совместимости с вашим автомобилем.
E24
E28
E30
E21
E23
CMSP