© Академия BMW. 2009-2026
Политика конфиденциальностиПравовая информацияВсе предложения не являются публичной офертой
Не уверены в комплектации?
Проверьте соответствие детали вашему VIN в каталоге ЕТК

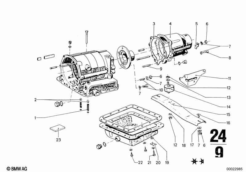
Артикул: 23211207159
Бренд: BMW
СКЛАД
Основной склад
нет в наличии
—
1 день
Московский склад
нет в наличии
—
2-4 дня
Региональный склад
нет в наличии
—
30 дней
Экспресс
100 шт.
1 527 ₽
60 дней
Складской
1000 шт.
1 307 ₽
Болт с шестигранной головкой BMW 23211207159 — оригинальная запасная часть для автомобилей BMW серий E24, E28, E30, E21, E23, E12, 114, E3, E9, NK, CMSP.
Артикулы замен: 23211202753, 23211203415, 24101203415, 24111630283, 24211205996. При подборе замены рекомендуем проверить совместимость по VIN-номеру вашего автомобиля.
Деталь 23211207159 в наличии у поставщика оригинальных запчастей из Европы. Доставка по Москве и России, гарантия совместимости с вашим автомобилем.
E24
E28
E30
E21
E23
E12
114
E3
E9
NK
CMSP