Не уверены в комплектации?
Проверьте соответствие детали вашему VIN в каталоге ЕТК

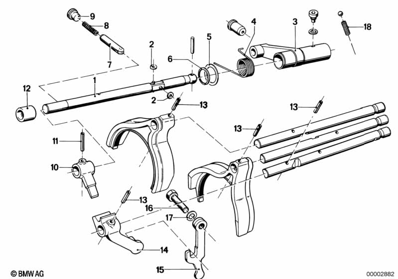
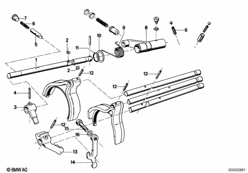
Артикул: 23311220308
Бренд: BMW
Нет предложений по наличию и цене.
© Академия BMW. 2009-2026
Политика конфиденциальностиПравовая информацияВсе предложения не являются публичной офертой