© Академия BMW. 2009-2026
Политика конфиденциальностиПравовая информацияВсе предложения не являются публичной офертой
Не уверены в комплектации?
Проверьте соответствие детали вашему VIN в каталоге ЕТК

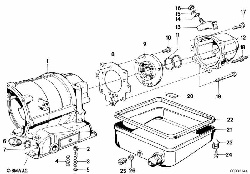
Артикул: 24111206468
Бренд: BMW
СКЛАД
Основной склад
нет в наличии
—
1 день
Московский склад
нет в наличии
—
2-4 дня
Региональный склад
нет в наличии
—
30 дней
Экспресс
1000 шт.
5 929 ₽
60 дней
Складской
1000 шт.
5 156 ₽
Магнит BMW 24111206468 — оригинальная запасная часть для автомобилей BMW серий E46, E24, E28, E30, E32, E31, E34, E36, E38, E39, E52, E53, E83, E85, R55, R57, R56, R55N, R57N, R58, R59, R56N, R52, R53, R60, R61, E21, E23, E12, 114, E3, NK.
Артикулы замен: 24111205107, 24111423588, 24117551086, 24117560575. При подборе замены рекомендуем проверить совместимость по VIN-номеру вашего автомобиля.
Деталь 24111206468 в наличии у поставщика оригинальных запчастей из Европы. Доставка по Москве и России, гарантия совместимости с вашим автомобилем.
E46
E24
E28
E30
E32
E31
E34
E36
E38
E39
E52
E53
E83
E85
R55
R57
R56
R55N
R57N
R58
R59
R56N
R52
R53
R60
R61
E21
E23
E12
114
E3
NK