© Академия BMW. 2009-2026
Политика конфиденциальностиПравовая информацияВсе предложения не являются публичной офертой
Не уверены в комплектации?
Проверьте соответствие детали вашему VIN в каталоге ЕТК

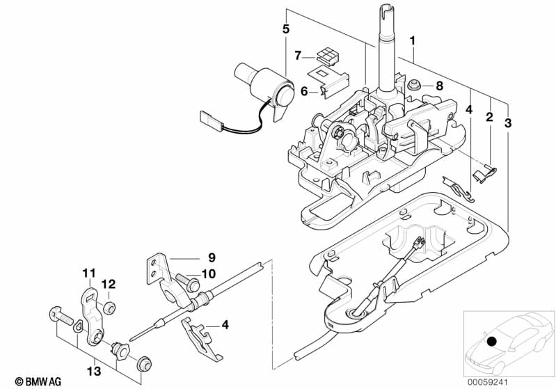
Артикул: 25161422277
Бренд: BMW
СКЛАД
Основной склад
нет в наличии
—
1 день
Московский склад
нет в наличии
—
2-4 дня
Региональный склад
нет в наличии
—
30 дней
Экспресс
100 шт.
12 241 ₽
60 дней
Складской
100 шт.
9 738 ₽
Магнит BMW 25161422277 — оригинальная запасная часть для автомобилей BMW серий E46, E31, E38, E39.
Деталь 25161422277 в наличии у поставщика оригинальных запчастей из Европы. Доставка по Москве и России, гарантия совместимости с вашим автомобилем.
E46
E31
E38
E39