© Академия BMW. 2009-2026
Политика конфиденциальностиПравовая информацияВсе предложения не являются публичной офертой
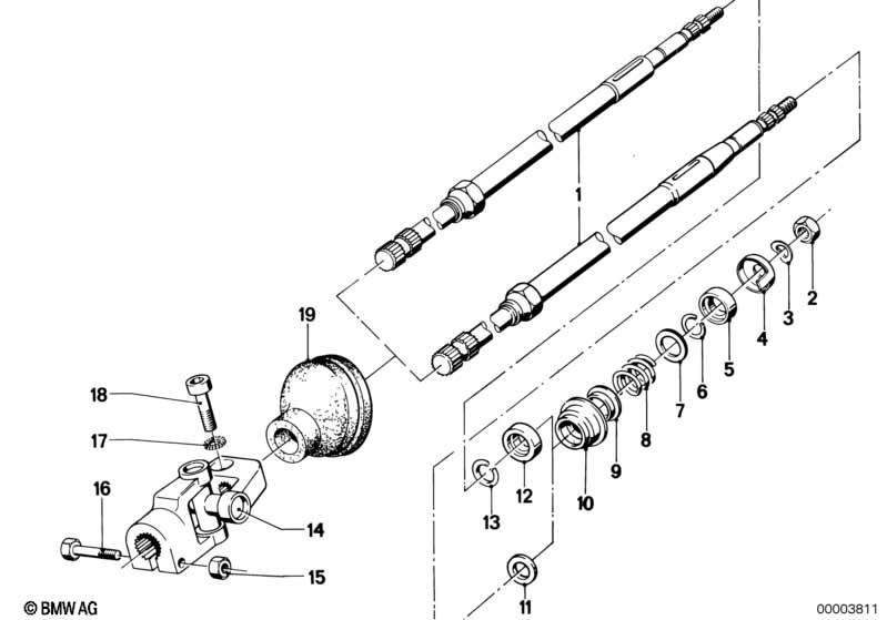
Не уверены в комплектации?
Проверьте соответствие детали вашему VIN в каталоге ЕТК

Артикул: 32311108381
Бренд: BMW
СКЛАД
Основной склад
нет в наличии
—
1 день
Московский склад
нет в наличии
—
2-4 дня
Региональный склад
нет в наличии
—
30 дней
Экспресс
1000 шт.
18 802 ₽
60 дней
Складской
1000 шт.
16 294 ₽
деталь BMW BMW 32311108381 — оригинальная запасная часть для автомобилей BMW серий E24, E12.
Деталь 32311108381 в наличии у поставщика оригинальных запчастей из Европы. Доставка по Москве и России, гарантия совместимости с вашим автомобилем.
E24
E12