© Академия BMW. 2009-2026
Политика конфиденциальностиПравовая информацияВсе предложения не являются публичной офертой
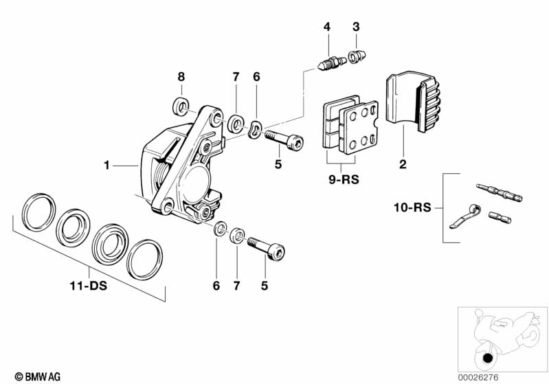
Не уверены в комплектации?
Проверьте соответствие детали вашему VIN в каталоге ЕТК

Артикул: 34211236794
Бренд: BMW
СКЛАД
Основной склад
нет в наличии
—
1 день
Московский склад
нет в наличии
—
2-4 дня
Региональный склад
нет в наличии
—
30 дней
Экспресс
1000 шт.
795 ₽
60+ дней
Складской
1000 шт.
761 ₽
K569
2471
2472
2473
2474
2477
2478
259E
259R
259S
259T
47E1
47E2
47E3
89V1
89V2
K589
C1N
89V3
59C1
59C3
R28
K25
K26
K28
K30
K40
K41
K43
K44
R21
R22
R21A
K255
R13
K14
R131
R134
K25H
K29
K71
K73
K72
K70
K80
K81
K82
K83
K84
K48
K61
KM3
K63
K67
KR2
K46
K42
K75
K16
K47
E169
K15
248