© Академия BMW. 2009-2026
Политика конфиденциальностиПравовая информацияВсе предложения не являются публичной офертой
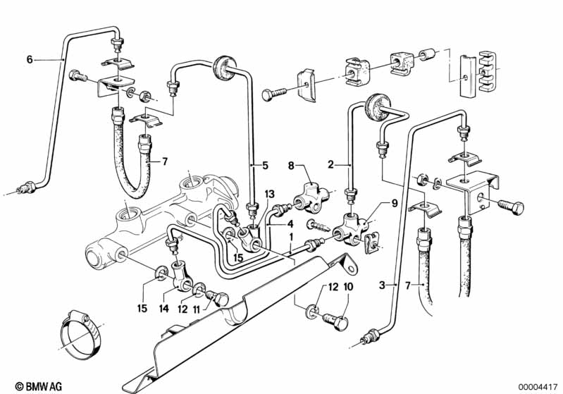
Не уверены в комплектации?
Проверьте соответствие детали вашему VIN в каталоге ЕТК

Артикул: 34321160028
Бренд: BMW
СКЛАД
Основной склад
нет в наличии
—
1 день
Московский склад
13 шт.
683 ₽
2-4 дня
Региональный склад
нет в наличии
—
30 дней
Экспресс
1000 шт.
725 ₽
60 дней
Складской
1000 шт.
695 ₽
Проставка BMW 34321160028 — оригинальная запасная часть для автомобилей BMW серий E24, E28, E32, E34, E36, Z3, E23.
Артикулы замен: 34311119123, 34321119123. При подборе замены рекомендуем проверить совместимость по VIN-номеру вашего автомобиля.
Деталь 34321160028 в наличии у поставщика оригинальных запчастей из Европы. Доставка по Москве и России, гарантия совместимости с вашим автомобилем.
E24
E28
E32
E34
E36
Z3
E23