© Академия BMW. 2009-2026
Политика конфиденциальностиПравовая информацияВсе предложения не являются публичной офертой
Не уверены в комплектации?
Проверьте соответствие детали вашему VIN в каталоге ЕТК

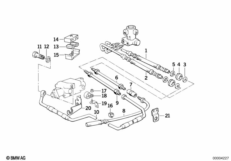
Артикул: 34326755121
Бренд: BMW
СКЛАД
Основной склад
нет в наличии
—
1 день
Московский склад
5 шт.
2 619 ₽
2-4 дня
Региональный склад
нет в наличии
—
30 дней
Экспресс
100 шт.
4 437 ₽
60 дней
Складской
1000 шт.
4 030 ₽
Трубопровод BMW 34326755121 — оригинальная запасная часть для автомобилей BMW серий E32, E31, E34, E38, Z1, E21, E12, 114, 700, E3, E9, NK, ISE.
Артикулы замен: 34321104210, 34321153804. При подборе замены рекомендуем проверить совместимость по VIN-номеру вашего автомобиля.
Деталь 34326755121 в наличии у поставщика оригинальных запчастей из Европы. Доставка по Москве и России, гарантия совместимости с вашим автомобилем.
E32
E31
E34
E38
Z1
E21
E12
114
700
E3
E9
NK
ISE