© Академия BMW. 2009-2026
Политика конфиденциальностиПравовая информацияВсе предложения не являются публичной офертой
Не уверены в комплектации?
Проверьте соответствие детали вашему VIN в каталоге ЕТК

Артикул: 64536902230
Бренд: BMW
СКЛАД
Основной склад
нет в наличии
—
1 день
Московский склад
нет в наличии
—
2-4 дня
Региональный склад
нет в наличии
—
30 дней
Экспресс
1000 шт.
19 466 ₽
60 дней
Складской
1000 шт.
18 654 ₽
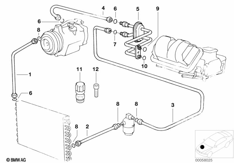
Напорный трубопровод компрессор-конденс BMW 64536902230 — оригинальная запасная часть для автомобилей BMW серий E36, Z3.
Артикулы замен: 64538372739, 64538391729. При подборе замены рекомендуем проверить совместимость по VIN-номеру вашего автомобиля.
Деталь 64536902230 в наличии у поставщика оригинальных запчастей из Европы. Доставка по Москве и России, гарантия совместимости с вашим автомобилем.
E36
Z3