© Академия BMW. 2009-2026
Политика конфиденциальностиПравовая информацияВсе предложения не являются публичной офертой
Не уверены в комплектации?
Проверьте соответствие детали вашему VIN в каталоге ЕТК

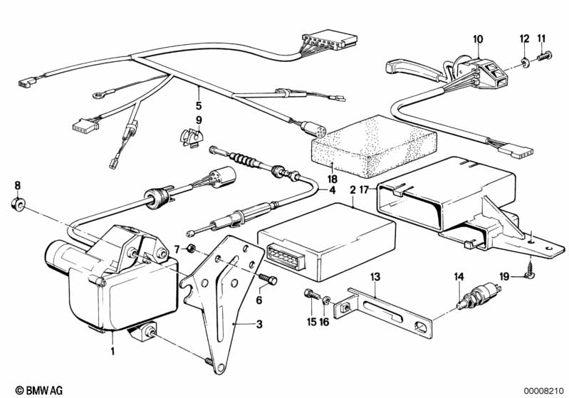
Артикул: 65711386189
Бренд: BMW
СКЛАД
Основной склад
нет в наличии
—
1 день
Московский склад
нет в наличии
—
2-4 дня
Региональный склад
нет в наличии
—
30 дней
Экспресс
1000 шт.
58 596 ₽
60 дней
Складской
1000 шт.
52 531 ₽
Эбу системы поддержания задан.скорости BMW 65711386189 — оригинальная запасная часть для автомобилей BMW серий E24, E28, E30, E23.
Артикулы замен: 65711370192, 65711371714, 65711385557. При подборе замены рекомендуем проверить совместимость по VIN-номеру вашего автомобиля.
Деталь 65711386189 в наличии у поставщика оригинальных запчастей из Европы. Доставка по Москве и России, гарантия совместимости с вашим автомобилем.
E24
E28
E30
E23