© Академия BMW. 2009-2026
Политика конфиденциальностиПравовая информацияВсе предложения не являются публичной офертой
Не уверены в комплектации?
Проверьте соответствие детали вашему VIN в каталоге ЕТК

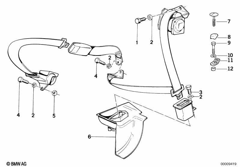
Артикул: 72111822963
Бренд: BMW
СКЛАД
Основной склад
нет в наличии
—
1 день
Московский склад
нет в наличии
—
2-4 дня
Региональный склад
нет в наличии
—
30 дней
Экспресс
1000 шт.
1 037 ₽
60 дней
Складской
1000 шт.
853 ₽
деталь BMW BMW 72111822963 — оригинальная запасная часть для автомобилей BMW серий E24, E28, E30, E32, E34, E21, E23, E12, 114, E3.
Деталь 72111822963 в наличии у поставщика оригинальных запчастей из Европы. Доставка по Москве и России, гарантия совместимости с вашим автомобилем.
E24
E28
E30
E32
E34
E21
E23
E12
114
E3