© Академия BMW. 2009-2026
Политика конфиденциальностиПравовая информацияВсе предложения не являются публичной офертой
Не уверены в комплектации?
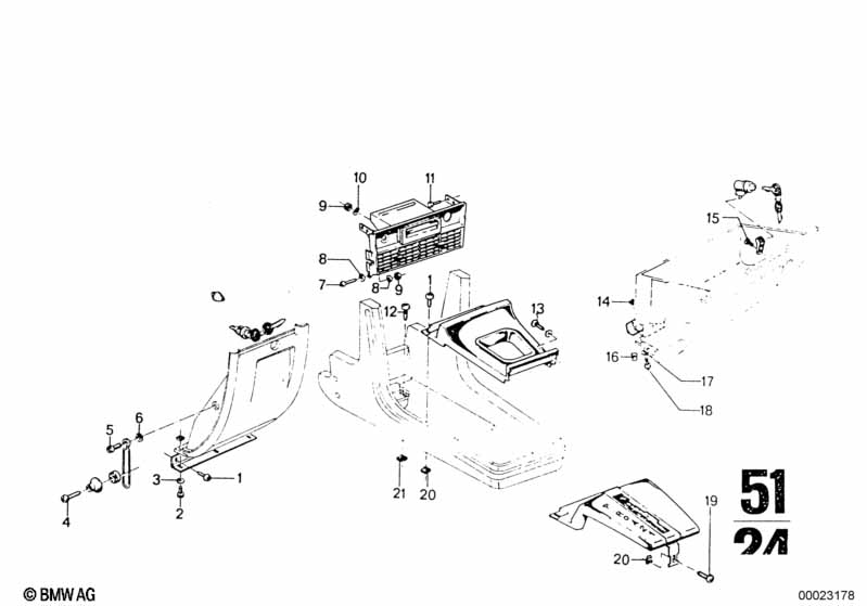
Проверьте соответствие детали вашему VIN в каталоге ЕТК

Артикул: 07129948740
Бренд:
СКЛАД
Основной склад
нет в наличии
—
1 день
Московский склад
нет в наличии
—
2-4 дня
Региональный склад
нет в наличии
—
30 дней
Экспресс
нет в наличии
—
60+ дней
Складской
нет в наличии
—
07129948740 — оригинальная запасная часть для автомобилей серий E28, E3, E9, NK.
Деталь 07129948740 в наличии у поставщика оригинальных запчастей из Европы. Доставка по Москве и России, гарантия совместимости с вашим автомобилем.
E28
E3
E9
NK