© Академия BMW. 2009-2026
Политика конфиденциальностиПравовая информацияВсе предложения не являются публичной офертой

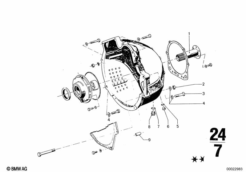
| № | Артикул | Наименование | Бренд | Цена | |
|---|---|---|---|---|---|
| 01 | ![]() | 24 24 1201107 | Вал | — | — |
| 02 | ![]() | 07 11 9915558 | Гайка шестигранная | BMW | от 382 RUB |
| 03 | ![]() | 07 11 9913855 | Болт с шестигранной головкой | BMW | от 61 RUB |
| 04 | ![]() | 07 11 9904463 | Упругая шайба | BMW | от 31 RUB |
| 05 | ![]() | 07 11 9963072 | Уплотнительное кольцо | BMW | от 34 RUB |
| 06 | ![]() | 07 11 9904393 | Резьбовая пробка | BMW | от 85 RUB |
| 07 | ![]() | 07 11 9963407 | Уплотнительное кольцо | — | — |
| 08 | ![]() | 24 41 1201426 | Резьбовая пробка | — | — |
| 08 | ![]() | 24 41 1202688 | Резьбовая пробка | — | — |
| 09 | ![]() | 24 41 1200459 | Центрирующая втулка | BMW | от 2 743 RUB |