© Академия BMW. 2009-2026
Политика конфиденциальностиПравовая информацияВсе предложения не являются публичной офертой

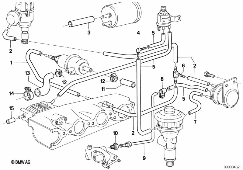
| № | Артикул | Наименование | Бренд | Цена | |
|---|---|---|---|---|---|
| 01 | ![]() | 11 72 7545323 | Вакуумный шланг Schwarz | BMW | от 1 415 RUB |
| 02 | ![]() | 11 74 7797177 | Вакуумный шланг Weiss | BMW | от 4 230 RUB |
| 03 | ![]() | 13 31 1272750 | Топливный шланг | BMW | от 6 372 RUB |
| 04 | ![]() | 22 11 6759728 | Угловая муфта | BMW | от 349 RUB |
| 05 | ![]() | 11 74 7797050 | Вакуумный шланг Rot | BMW | от 3 469 RUB |
| 06 | ![]() | 11 73 1261489 | T-образный элемент | BMW | от 763 RUB |
| 07 | ![]() | 11 74 7797082 | Вакуумный шланг Blau | BMW | от 1 786 RUB |
| 08 | ![]() | 11 73 1264159 | Хомут крепления трубки | — | — |
| 09 | ![]() | 11 73 1268994 | Трубопровод | — | — |
| 10 | ![]() | 11 71 1266854 | Резьбовой штуцер | — | — |