© Академия BMW. 2009-2026
Политика конфиденциальностиПравовая информацияВсе предложения не являются публичной офертой

| № | Артикул | Наименование | Бренд | Цена | |
|---|---|---|---|---|---|
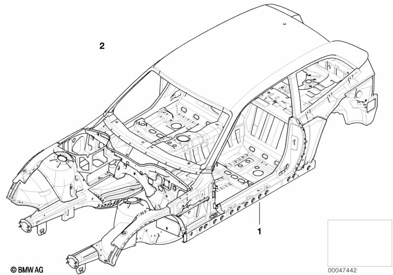
| 01 | ![]() | 41 00 8413728 | Каркас кузова | — | — |
| 01 | ![]() | 41 00 8413729 | Каркас кузова,люк с подъемно-сдв.крышкой | — | — |
| -- | ![]() | 41 12 8400744 | Кронштейн аварийного колеса Пд | BMW | от 1 856 RUB |
| -- | ![]() | 41 12 8400745 | Кронштейн аварийного колеса боковой | BMW | от 1 836 RUB |
| 01 | ![]() | 41 00 7832181 | Каркас кузова | BMW | от 1 560 571 RUB |
| 01 | ![]() | 41 00 7832182 | Каркас кузова,люк с подъемно-сдв.крышкой | BMW | от 1 945 410 RUB |
| 01 | ![]() | 41 00 7832183 | Каркас кузова | — | — |
| 01 | ![]() | 41 00 7832184 | Каркас кузова,люк с подъемно-сдв.крышкой | — | — |
| 02 | ![]() | 41 00 8413379 | Основание кроншт.механизма ПП стептроник | BMW | от 1 286 RUB |