© Академия BMW. 2009-2026
Политика конфиденциальностиПравовая информацияВсе предложения не являются публичной офертой

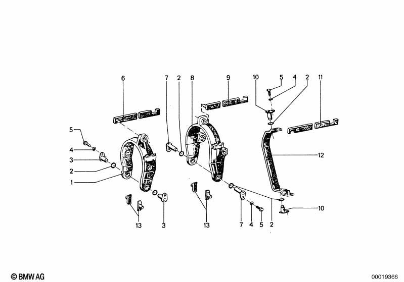
| № | Артикул | Наименование | Бренд | Цена | |
|---|---|---|---|---|---|
| 01 | ![]() | 23 31 1201347 | Вилка переключения I - IV передач | — | — |
| 02 | ![]() | 23 31 1201346 | Кольцо круглого сечения | — | — |
| 03 | ![]() | 23 31 1201349 | Штифт | — | — |
| 05 | ![]() | 07 11 9905524 | БОЛТ С ШЕСТИГРАННОЙ ГОЛОВКОЙ | BMW | от 48 RUB |
| 06 | ![]() | 23 31 1201363 | Тяга привода пер.передач | — | — |
| 07 | ![]() | 23 31 1201343 | Штифт | — | — |
| 08 | ![]() | 23 31 1201337 | Вилка переключения I/передачи задн.хода | — | — |
| 09 | ![]() | 23 31 1201360 | Тяга привода пер.передач | — | — |
| 10 | ![]() | 23 31 1201354 | Штифт | — | — |
| 11 | ![]() | 23 31 1201365 | Тяга привода пер.передач | — | — |