© Академия BMW. 2009-2026
Политика конфиденциальностиПравовая информацияВсе предложения не являются публичной офертой
Не уверены в комплектации?
Проверьте соответствие детали вашему VIN в каталоге ЕТК

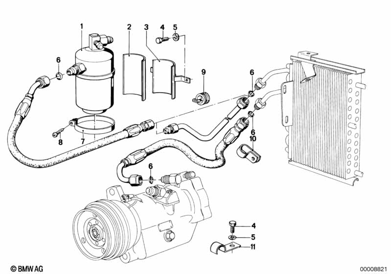
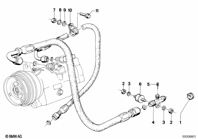
Артикул: 64531356622
Бренд: BMW
СКЛАД
Основной склад
нет в наличии
—
1 день
Московский склад
нет в наличии
—
2-4 дня
Региональный склад
нет в наличии
—
30 дней
Экспресс
100 шт.
442 ₽
60 дней
Складской
1000 шт.
357 ₽
Хомут BMW 64531356622 — оригинальная запасная часть для автомобилей BMW серий E24, E28, E30, E32, E34, E38, E39, E60, E63, E64, E83, Z3, E61N, F45, F45N, E21, E23, E12, MOSP.
Артикулы замен: 64531366561, 64531367372. При подборе замены рекомендуем проверить совместимость по VIN-номеру вашего автомобиля.
Деталь 64531356622 в наличии у поставщика оригинальных запчастей из Европы. Доставка по Москве и России, гарантия совместимости с вашим автомобилем.
E24
E28
E30
E32
E34
E38
E39
E60
E63
E64
E83
Z3
E61N
F45
F45N
E21
E23
E12
MOSP