© Академия BMW. 2009-2026
Политика конфиденциальностиПравовая информацияВсе предложения не являются публичной офертой

24_1906
A5S360R/390R масл.картер/сет.масл.фильтр

24_2331
A5S360R/390R масл.картер/сет.масл.фильтр

24_0996
A5S360R/390R масл.картер/сет.масл.фильтр

24_0998
A5S360R/390R масл.картер/сет.масл.фильтр

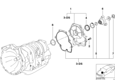
24_1613
A5S360R/390R выходной вал

24_1902
A5S360R/390R выходной вал

24_0933
A5S360R/390R выходной вал

24_0993
A5S360R/390R выходной вал

24_2329
A5S360R/390R выходной вал, полноприв.

24_0989
A5S360R/390R выходной вал, полноприв.

24_0988
A5S360R/390R выходной вал, полноприв.

24_1614
A5S360R/390R детали переключения

24_1903
A5S360R/390R детали переключения

24_2326
A5S360R/390R детали переключения

24_0936
A5S360R/390R детали переключения

24_2330
A5S360R/390R детали переключ.,полноприв.

24_0990
A5S360R/390R детали переключ.,полноприв.

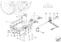
24_1615
A5S360R/390R блок упр.с доп.элементами

24_1904
A5S360R/390R блок упр.с доп.элементами

24_2327
A5S360R/390R блок упр.с доп.элементами

24_0938
A5S360R/390R блок упр.с доп.элементами

24_0973
A4S200R Сальник вх.вала/датчик част.вращ

24_0974
A4S200R Масл.картер/сетчат.масл.фильтр

24_0977
A4S200R Выходная часть