© Академия BMW. 2009-2026
Политика конфиденциальностиПравовая информацияВсе предложения не являются публичной офертой

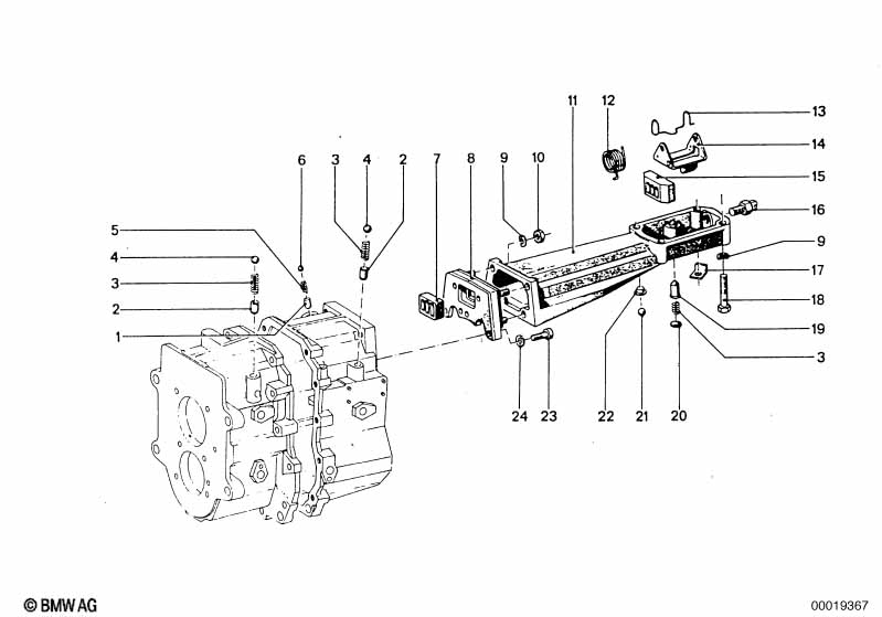
| № | Артикул | Наименование | Бренд | Цена | |
|---|---|---|---|---|---|
| 01 | ![]() | 23 31 1201358 | Башмак | — | — |
| 02 | ![]() | 23 31 1201356 | Штифт | — | — |
| 03 | ![]() | 23 31 1201357 | Пружина сжатия | — | — |
| 04 | ![]() | 07 11 9986299 | Шар | — | — |
| 05 | ![]() | 23 31 1201359 | Пружина сжатия | — | — |
| 07 | ![]() | 23 31 1201370 | Направляющая | — | — |
| 08 | ![]() | 23 31 1205082 | Демпфер крутильных колебаний | — | — |
| 09 | ![]() | 07 11 9904115 | Упругая шайба | BMW | от 10 RUB |
| 10 | ![]() | 07 11 9905515 | Гайка шестигранная | BMW | от 69 RUB |
| 11 | ![]() | 23 11 1201367 | Стержень опоры рычага переключен.передач | BMW | от 10 906 RUB |