© Академия BMW. 2009-2026
Политика конфиденциальностиПравовая информацияВсе предложения не являются публичной офертой

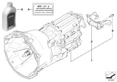
23_1184
МКПП GS6-17BG

23_1059
МКПП GS6-17DG

23_1507
МКПП GS6-17BG

23_0996
МКПП GS6-17BG

23_1463
МКПП GS6-17BG

23_1129
МКПП GS6-53BZ

23_1127
МКПП GS6-53DZ

23_1066
МКПП GS6-53DZ

23_1548
МКПП GS6-53BZ

23_1045
МКПП GS6-53BZ

23_1526
МКПП GS6S53BZ (SMG)

23_0945
МКПП GS6S53BZ (SMG)

23_1541
МКПП GS6-53BZ

23_1036
МКПП GS6-53BZ

23_1633
МКПП GS6-53BZ/DZ

23_0926
МКПП GS6-53BZ/DZ

23_1634
МКПП GS6X53DZ - привод на все колеса

23_0927
МКПП GS6X53DZ - привод на все колеса

23_1077
МКПП GS6X53DZ - привод на все колеса

23_1536
МКПП GS7S47BG (SMG)

23_0980
МКПП GS7S47BG (SMG)

23_1495
МКПП GS6-37BZ/DZ

23_1524
МКПП GS6-37BZ/DZ

23_1631
МКПП GS6-37BZ/DZ