© Академия BMW. 2009-2026
Политика конфиденциальностиПравовая информацияВсе предложения не являются публичной офертой

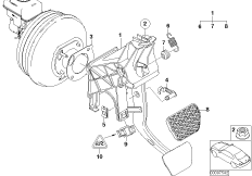
35_0443
Педальный механизм в сборе

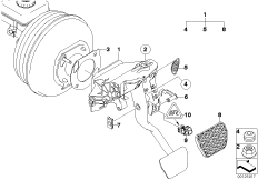
35_0576
Педальный механизм в сборе

35_0390
Педальный механизм в сборе

35_0393
Педальный механизм в сборе

35_0578
Педальный механизм в сборе

35_0330
Педальный механизм

35_0587
Педальный механизм

35_0293
Педальный механизм

35_0294
Педальный механизм

35_0277
Педальный механизм

35_0621
Педальный механизм

35_0314
Педальный механизм

35_0757
Педальный механизм

35_0286
Педальный механизм

35_0332
Педальный механизм

35_0820
Педальный механизм АКПП

35_0819
Педальный механизм АКПП

35_0808
Педальный механизм АКПП

35_0807
Педальный механизм АКПП

35_0814
Педальный механизм АКПП

35_0813
Педальный механизм АКПП

35_0812
ZB Fusshebelwerk M Uebertotpunktfeder

35_0811
ZB Fusshebelwerk M Uebertotpunktfeder

35_0799
Педальный механизм АКПП