© Академия BMW. 2009-2026
Политика конфиденциальностиПравовая информацияВсе предложения не являются публичной офертой

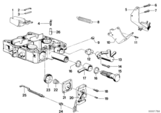
13_0055
Поплавок/управляющий разъем

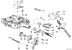
13_0054
Поплавок/управляющий разъем

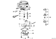
13_0026
Поплавок/управляющий разъем

13_0084
Вакуумная сист.управл.регулир.зажигания

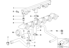
13_0044
корпус дроссельной заслонки

13_0036
корпус дроссельной заслонки

13_1044
корпус дроссельной заслонки

13_0080
корпус дроссельной заслонки

13_0009
корпус дроссельной заслонки

13_0123
Распределитель количества

13_0124
Распределитель количества

13_0125
Распределитель количества

13_0143
Распределитель количества

13_0583
Клапан регулировки холостого хода

13_0448
Клапан регулировки холостого хода

13_0342
Клапан регулировки холостого хода

13_0577
Клапан регулировки холостого хода

13_0016
Клапан уменьш.подачи топлива на хол.х.

13_1046
Увеличение частоты вращения на х.ходу

13_0082
Увеличение частоты вращения на х.ходу

13_1064
Увеличение частоты вращения на х.ходу

13_0164
Увеличение частоты вращения на х.ходу

13_1065
Увеличение частоты вращения на х.ходу

13_0165
Увеличение частоты вращения на х.ходу