© Академия BMW. 2009-2026
Политика конфиденциальностиПравовая информацияВсе предложения не являются публичной офертой

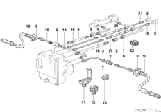
34_1163
Трубопровод тормозного привода Пд с DSC

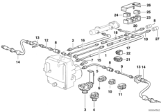
34_1007
Трубопровод торм.привода Пд, полноприв.

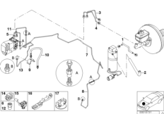
34_0570
Трубопровод тормозн.привода Пд ABS/ASC+T

34_0520
Трубопровод тормозного привода c ABS Пд

34_0521
Трубопровод тормозн.привода Пд ABS/ASC+T

34_0742
Трубопровод тормозного привода Пд с DSC

34_0769
Трубопровод тормозного привода Пд с DSC

34_0582
Трубопровод глав.тормозн.цилиндра с DSC

34_0862
Трубопровод тормоз.привода Пд с ASC/DSC

34_0863
Трубопровод тормоз.привода Пд с ASC/DSC

34_1042
Трубопровод тормоз.привода Пд с ASC/DSC

34_1045
Трубопровод тормоз.привода Пд с ASC/DSC

34_0537
Трубопровод тормозн.привода Пд ABS/ASC+T

34_0574
Трубопровод тормозн.привода Пд ABS/ASC+T

34_0713
Трубопровод тормозного привода Пд с DSC

34_0938
Трубопровод тормоз.привода Пд с ASC/DSC

34_0715
Трубопровод тормозного привода Пд с DSC

34_0939
Трубопровод тормоз.привода Пд с ASC/DSC

34_1511
Трубопровод тормозного привода Пд с ASC

34_1512
Трубопровод тормозного привода Пд с DSC

34_1037
Трубопровод тормозного привода Пд с ASC

34_0542
Трубопровод тормозного привода c ABS Пд

34_0541
Трубопровод тормозн.привода Пд ABS/ASC+T

34_0544
Трубопровод тормозного привода c ABS Пд