© Академия BMW. 2009-2026
Политика конфиденциальностиПравовая информацияВсе предложения не являются публичной офертой

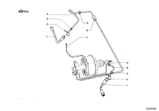
34_0186
Трубопровод тормозного привода c ABS Пд

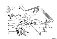
34_0187
Трубопровод тормозного привода c ABS Пд

34_0116
Трубопровод тормозного привода c ABS Пд

34_0117
Трубопровод тормозного привода c ABS Пд

34_0151
Трубопровод тормозного привода Зд

34_0152
Трубопровод тормозного привода Зд

34_0153
Трубопровод тормозного привода Зд

34_0154
Трубопровод тормозного привода Зд

34_0155
Трубопровод тормозного привода Зд

34_0157
Трубопровод тормозного привода c ABS Пд

34_0882
Трубопровод тормозного привода Пд

34_0797
Трубопровод торм.привода Пд/Зд/креплен.

34_0799
Тормозной диск/суппорт/доп.элементы/Пд

34_0800
Тормозной диск/суппорт/доп.элементы/Пд

34_0809
Трубопровод торм.привода Пд/Зд/креплен.

34_0811
Трубопровод торм.привода/выкл.торм.давл.

34_0829
Трубопровод тормозного привода Пд

34_0848
Трубопровод тормозного привода

34_0849
Трубопровод тормозного привода

34_0851
Трубопровод тормозного привода

34_0830
Трубопровод тормозного привода Пд

34_0833
Трубопровод тормозного привода Зд

34_0840
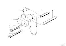
Регулятор давления/пневмоаккумулятор

34_0852
Регулятор давления/пневмоаккумулятор