© Академия BMW. 2009-2026
Политика конфиденциальностиПравовая информацияВсе предложения не являются публичной офертой

71_0100
ВпУЮТЮ-бжХЯ.гбва./нЫХЪва.ТбЯЮЬ.нЫХЬХЭвл

71_0096
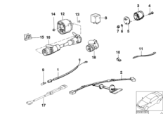
Провода тягово-сцепного устройства

71_0090
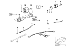
Провода тягово-сцепного устройства

71_0091
Провода тягово-сцепного устройства

71_0092
Провода тягово-сцепного устройства

71_0093
Провода тягово-сцепного устройства

71_0094
Провода тягово-сцепного устройства

71_0095
Провода тягово-сцепного устройства

71_0181
НЫХЪва.ФХвРЫШ впУЮТЮ-бжХЯЭЮУЮ гбваЮЩбвТР

71_0103
Тягово-сцепное устройство

71_0277
Trailer hitch

71_0328
Trailer hitch

71_0357
НЫХЪва.ФХвРЫШ впУЮТЮ-бжХЯЭЮУЮ гбваЮЩбвТР

71_0390
Trailer hitch

71_0412
ґХвРЫШ впУЮТЮ-бжХЯЭЮУЮ гбваЮЩбвТР

71_0447
Trailer coupling

71_0458
ВпУЮТЮ-бжХЯЭЮХ гбва.б ЭХЯЮФТ.иРа.УЮЫ.

71_0685
НЫХЪва.ФХвРЫШ впУЮТЮ-бжХЯЭЮУЮ гбваЮЩбвТР

71_0823
Подготовка под задний кронштейн

71_0840
ВпУЮТЮ-бжХЯЭЮХ гбваЮЩбвТЮ бкХЬЭЮХ

71_0868
Тягово-сцепн.устр-во откидное электрич.

71_0884
ВпУЮТЮ-бжХЯЭЮХ гбваЮЩбвТЮ бкХЬЭЮХ

71_0891
ВпУЮТЮ-бжХЯЭЮХ гбваЮЩбвТЮ бкХЬЭЮХ

71_0907
Тягово-сцепн.устр-во откидное электрич.