© Академия BMW. 2009-2026
Политика конфиденциальностиПравовая информацияВсе предложения не являются публичной офертой

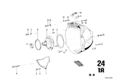
24_0903
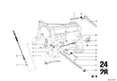
ґХвРЫШ ZF 3HP20

24_0904
ґХвРЫШ ZF 3HP20

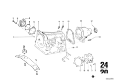
24_0905
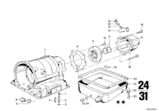
BW 65 Картер и дополнительные элементы

24_0906
BW 65 Картер и дополнительные элементы

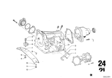
24_0907
BW 65 Картер и дополнительные элементы

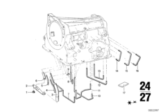
24_0908
BW 65 Картер и дополнительные элементы

24_0909
BW 65 Масл.картер/маслоналивн.горловина

24_0910
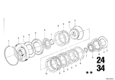
Сцепление BW 65 Пд

24_0911
Сцепление BW 65 Зд

24_0912
BW 65 Блок планетарных шестерен/выход

24_0913
BW 65 Ленточные тормозы

24_0914
BW 65 Напорные и всасывающ.трубопроводы

24_0915
BW 65 Механизм ПП/блокировка на стоянке

24_0916
BW 65 Блок управления и дополн.элементы

24_0917
ZF 3HP22 Детали картера/масляный картер

24_0918
ZF 3HP22 Детали картера/масляный картер

24_0919
ZF 3HP22 Приводная муфта A

24_0920
ZF 3HP22 Приводная муфта B

24_0921
ZF 3HP22 Неподвижный диск.фрикцион C/C'

24_0922
ZF 3HP22 Неподвижный дисковый фрикцион D

24_0923
ZF 3HP22 Блок планетарных шестерен

24_0924
ZF 3HP22 Выходная часть

24_0925
ZF 3HP22 механизм ПП/блок.трансм.на ст.

24_0926
ZF 3HP22 Гидравлический блок управления