© Академия BMW. 2009-2026
Политика конфиденциальностиПравовая информацияВсе предложения не являются публичной офертой

24_0854
ZF 3HP12 Механизм ПП/блок.трансм.на ст.

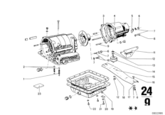
24_0853
ZF 3HP12 Механизм ПП/блок.трансм.на ст.

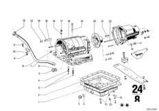
24_0852
ZF 3HP12 Детали картера/масляный картер

24_0851
ZF 3HP12 Детали картера/масляный картер

24_0884
ZF 3HP20 Механизм ПП/блок.трансм.на ст.

24_0883
ZF 3HP20 Механизм ПП/блок.трансм.на ст.

24_0882
BW 65 Механизм ПП/блокировка на стоянке

24_0881
ZF 3HP20 Гидравл.блок управл.и доп.элем.

24_0880
BW 65 Механизм ПП/блокировка на стоянке

24_0879
ZF 3HP20 Механизм ПП/блок.трансм.на ст.

24_0878
BW 65 Детали картера/смазочная система

24_0877
BW 65 Ленточные тормозы

24_0885
ZF 3HP20 Механизм ПП/блок.трансм.на ст.

24_0850
Рычаг переключения передач

24_0849
Рычаг переключения передач

24_0848
ZF 3HP12 Гидравл.блок управл.и доп.элем.

24_0844
ZF 3hp12 Выход/привод спидометра

24_0842
ZF 3HP12 Приводная муфта A/B

24_0840
ZF 3HP12 Приводная муфта A/B

24_0898
ZF 3HP22 Гидравл.блок управл.доп.элем.

24_0899
ґХвРЫШ ZF 3HP20

24_0900
ґХвРЫШ ZF 3HP20

24_0901
ґХвРЫШ ZF 3HP20

24_0902
ґХвРЫШ ZF 3HP20