© Академия BMW. 2009-2026
Политика конфиденциальностиПравовая информацияВсе предложения не являются публичной офертой

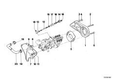
13_0992
Система впрыска - насос высокого давл.

13_1000
Система впрыска - вентиляция топл.бака

13_1009
Система впрыска - топливопровод

13_0993
Система впрыска - топливопровод

13_0994
Система впрыска - воздуховод

13_0997
Система впрыска - блок управления

13_1325
Вставка форсунки

13_0106
Вставка форсунки

13_1055
Вставка форсунки

13_0088
Топливный насос высокого давления

13_0681
Топливный насос высокого давления

13_0935
Топливный насос высокого давления

13_0684
Детали топливного насоса

13_1277
Детали топливного насоса

13_0936
Детали топливного насоса

13_0436
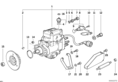
ТНВД дизельного двигателя

13_0090
ТНВД дизельного двигателя

13_1047
ТНВД дизельного двигателя

13_0396
ТНВД дизельного двигателя

13_2036
ТНВД дизельного двигателя

13_0647
ТНВД дизельного двигателя

13_0095
ТНВД дизельного двигателя

13_1320
ТНВД дизельного двигателя

13_0392
ТНВД дизельного двигателя