
13_0428
ТНВД дизельного двигателя

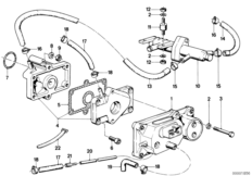
13_0374
ТНВД/опорный кронштейн, дизельн.двигат.

13_1430
ТНВД/опорный кронштейн, дизельн.двигат.

13_0373
ТНВД/опорный кронштейн, дизельн.двигат.

13_1429
ТНВД/опорный кронштейн, дизельн.двигат.

13_0214
Подготовка и регулир. рабочей смеси

13_0215
Подготовка и регулир. рабочей смеси

13_0216
Подготовка и регулир. рабочей смеси

13_1058
Золотник добавочн.воздуха/регул.прогрева

13_0146
Золотник добавочн.воздуха/регул.прогрева

13_0151
Золотник добавочн.воздуха/регул.прогрева

13_0152
Золотник добавочн.воздуха/регул.прогрева

13_0611
Датчик альтиметра

13_0686
Датчик альтиметра

13_0733
Мембрана вакуумного регулятора

13_0196
Различные реле

13_0195
Различные реле

13_0942
Электромагнитный пусковой клапан

13_1195
Система впрыска, топливопровод

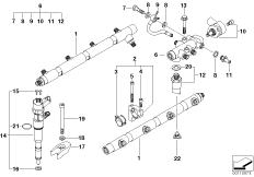
13_0846
Гидроаккумулятор/распределитель/инжектор

13_0896
Клапан предвар.подогрева/топливопроводы

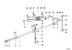
13_0940
Привод педали акселератора/рычаги и тяги

13_1154
Гофрированный чехол с резонатором

13_0941
Колено шланга
© Академия BMW. 2009-2026
Политика конфиденциальностиПравовая информацияВсе предложения не являются публичной офертой