© Академия BMW. 2009-2026
Политика конфиденциальностиПравовая информацияВсе предложения не являются публичной офертой

34_0245
Расширительный бачок

34_0247
Усилитель тормозов

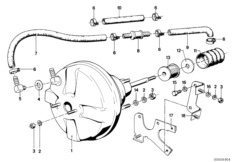
34_0248
Усилитель тормозов

34_0292
Усилитель тормозов/крепление

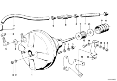
34_0249
Усилитель тормозов

34_0282
Усилитель тормозов

34_0243
Расширительный бачок

34_0242
Расширительный бачок

34_0267
Гидравлический усилитель тормозов

34_0268
Гидравлический усилитель тормозов

34_0269
Гидравлический усилитель тормозов

34_0270
Гидравлический усилитель тормозов

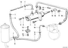
34_0210
Главный тормозной цилиндр

34_0211
Главный тормозной цилиндр

34_0212
Главный тормозной цилиндр

34_0213
Главный тормозной цилиндр

34_0214
Главный тормозной цилиндр

34_0215
Главный тормозной цилиндр

34_0228
Расширительный бачок

34_0229
Расширительный бачок

34_0230
Расширительный бачок

34_0231
Расширительный бачок

34_0299
Вакуумный усилитель тормозов

34_0300
Вакуумный усилитель тормозов