© Академия BMW. 2009-2026
Политика конфиденциальностиПравовая информацияВсе предложения не являются публичной офертой

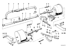
34_0253
Усилитель тормозов/крепление

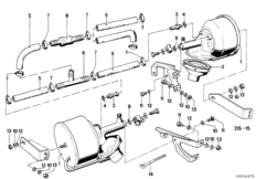
34_0254
Вакуумный усилитель тормозов

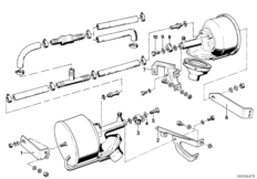
34_0255
Вакуумный усилитель тормозов

34_0256
Усилитель тормозов/крепление

34_0257
Усилитель тормозов/крепление

34_0261
Вакуумный усилитель тормозов

34_0258
Усилитель тормозов/крепление

34_0259
Вакуумный усилитель тормозов

34_0260
Усилитель тормозов/крепление

34_0265
Вакуумный усилитель тормозов

34_0266
Вакуумный усилитель тормозов

34_0262
Усилитель тормозов/крепление

34_0263
Усилитель тормозов/крепление

34_0264
Усилитель тормозов/крепление

34_0287
Вакуумный усилитель тормозов

34_0294
Гидравлический усилитель тормозов

34_0295
Гидравлический усилитель тормозов

34_0296
Гидравлический усилитель тормозов

34_0297
Гидравлический усилитель тормозов

34_0298
Гидравлический усилитель тормозов

34_1218
Главный тормозной цилиндр

34_1565
Главный тормозной цилиндр/бачок

34_1219
Главный тормозной цилиндр DSC

34_1290
Главный тормозной цилиндр